热门关键词: 测试    测试热门关键词2    测试关键词3     
SMA系列
SSMA系列
SMB系列
BMA系列
SSMB系列
N系列
TNC系列
MCX系列
BNC系列
SMP系列
SBMA系列
TMA系列
L29系列
ZSMB系列
CS系列
J30J系列
转接器
耐高压型连接器
其他类型连接器
国内常用同轴电缆尺寸列表
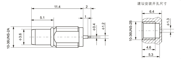
  SBMA系列
   
SBMA-JYD
点击次数:728次    发布时间:2021-09-24



·上一篇:SBMA-JYDG
·下一篇:SBMA-KFD3
打印本篇文章    关闭窗口
   
 
地址:西安雁塔区电子西街3号西京国际电气中心A813
电话:029-88368136 029-88283720
邮编:710065    Email: